留言板

尊敬的读者、作者、审稿人, 关于本刊的投稿、审稿、编辑和出版的任何问题, 您可以本页添加留言。我们将尽快给您答复。谢谢您的支持!

姓名
邮箱
手机号码
标题
留言内容
验证码

郑州邙山官庄峪黄土地层研究

王玉振 王书兵 王喜生 傅建利 蒋复初

王玉振, 王书兵, 王喜生, 等, 2015. 郑州邙山官庄峪黄土地层研究. 地质力学学报, 21 (3): 393-398.
引用本文: 王玉振, 王书兵, 王喜生, 等, 2015. 郑州邙山官庄峪黄土地层研究. 地质力学学报, 21 (3): 393-398.
WANG Yu-zhen, WANG Shu-bing, WANG Xi-sheng, et al., 2015. STUDY ON THE GUANZHUANGYU LOESS STRATIGRAPHY IN MANGSHAN, ZHENGZHOU. Journal of Geomechanics, 21 (3): 393-398.
Citation: WANG Yu-zhen, WANG Shu-bing, WANG Xi-sheng, et al., 2015. STUDY ON THE GUANZHUANGYU LOESS STRATIGRAPHY IN MANGSHAN, ZHENGZHOU. Journal of Geomechanics, 21 (3): 393-398.

郑州邙山官庄峪黄土地层研究

基金项目: 

中国地质科学院重点开放实验室专项资金资助项目 KL05-13

国家自然科学基金项目 40302025

国家自然科学基金项目 40642001

详细信息
    作者简介:

    王玉振(1961-), 男, 高级工程师。主要从事水文水资源分析与评价工作。E-mail:xyjwyz@126.com

    通讯作者:

    王书兵(1972-), 男, 副研究员。主要从事第四纪地质与环境研究工作。E-mail:wsbln@126.com

  • 中图分类号: P642.13

STUDY ON THE GUANZHUANGYU LOESS STRATIGRAPHY IN MANGSHAN, ZHENGZHOU

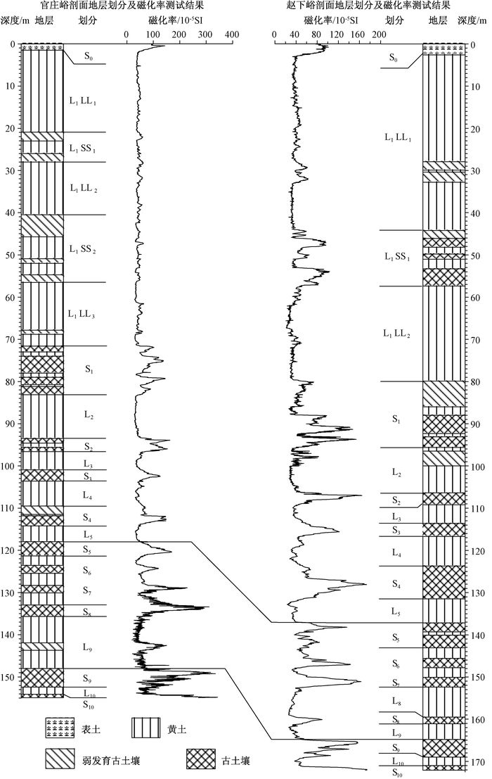
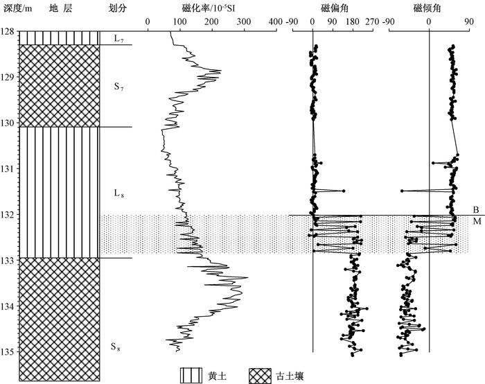
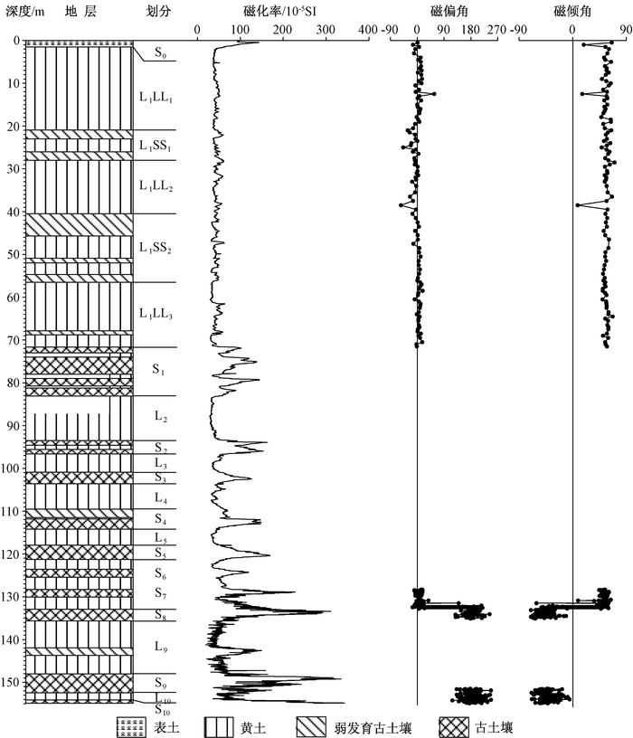
  • 摘要: 邙山官庄峪剖面共厚154.9 m, 出露S10及以上黄土-古土壤地层序列, 特征的马兰黄土厚度达70.125 m, 具有明显的粗粒、均匀特点, 且在该段地层中部, 并没有比较明显的弱古土壤层。磁性地层测量表明B/M界线置于深度132.04 m处, 位于L8的下部; 剖面底部未进入Jaramillo正极性亚时。与赵下峪剖面对比结果显示, 以B/M界线为标志, 72 m以下地层两者高度一致, 只是对地层的划分不同而已; 但赵下峪剖面中比较特征的具有较高磁化率值的L1SS1地层单元, 在官庄峪剖面却无明显表现, 其原因可能需进一步深入研究。

     

  • 图  1  郑州邙山官庄峪黄土-古土壤剖面磁性地层序列

    Figure  1.  Magnetic stratigraphic sequence of Guanzhuangyu loess-paleosol profile in Mangshan, Zhengzhou

    图  2  邙山官庄峪黄土-古土壤剖面下部B/M磁性地层序列

    Figure  2.  The B/M magnetic stratigraphic sequence below Guangzhuangyu loess-paleosol profile

    图  3  邙山官庄峪黄土剖面与赵下峪黄土剖面地层对比

    Figure  3.  Stratigraphy comparison between Guanzhuangyu loess and Zhaoxiayu loess profiles in Mangshan

    图  4  邙山官庄峪黄土剖面磁性地层与赵下峪黄土剖面磁性地层对比

    Figure  4.  Magnetostratigraphy comparison between Guanzhuangyu loess and Zhaoxiayu loess profiles in Mangshan

  • [1] 蒋复初, 吴锡浩, 孙东怀, 等.中原邙山黄土地层[J].地质力学学报, 1998, 4(4):12~18. http://journal.geomech.ac.cn/ch/reader/view_abstract.aspx?flag=1&file_no=19980441&journal_id=dzlxxb

    JIANG Fu-chu, WU Xi-hao, SUN Dong-huai, et al. On Mangshan loess stratigraphy in China central plains[J]. Journal of Geomechanics, 1998, 4(4): 12~18. http://journal.geomech.ac.cn/ch/reader/view_abstract.aspx?flag=1&file_no=19980441&journal_id=dzlxxb
    [2] 蒋复初, 吴锡浩, 肖华国, 等.中原邙山黄土及构造与气候耦合作用[J].海洋地质与第四纪地质, 1999, 19(1):45~51. http://www.cnki.com.cn/Article/CJFDTOTAL-HYDZ901.006.htm

    JIANG Fu-chu, WU Xi-hao, XIAO Hua-guo, et al. Mangshan loess in China central plains and the coupling effect between tectonics and climate[J]. Marine Geology & Quaternary Geology, 1999, 19(1): 45~51. http://www.cnki.com.cn/Article/CJFDTOTAL-HYDZ901.006.htm
    [3] 吴锡浩, 蒋复初, 肖华国, 等.中原邙山黄土及最近200ka构造运动与气候变化[J].中国科学:D辑, 1999, 29(1):75~81. http://www.cnki.com.cn/Article/CJFDTOTAL-JDXK199901011.htm

    WU Xi-hao, JIANG Fu-chu, XIAO Hua-guo, et al. Mangshan loess on China's central plain and its response to tectonic movement and climate[J]. Science in China: Series D, 1999, 29(1): 75~81. http://www.cnki.com.cn/Article/CJFDTOTAL-JDXK199901011.htm
    [4] 蒋复初, 王书兵, 赵志中, 等.中原邙山黄土与末次间期以来古季风特征[J].地质论评, 2004, 50(5):554~560. http://www.cnki.com.cn/Article/CJFDTOTAL-DZLP200405018.htm

    JIANG Fu-chu, WANG Shu-bing, ZHAO Zhi-zhong, et al. The Mangshan loess in central China and paleomonsoon characteristic since the Last Interglacial Stage[J]. Geological Review, 2004, 50(5): 554~560. http://www.cnki.com.cn/Article/CJFDTOTAL-DZLP200405018.htm
    [5] Jiang Fuchu, Wang Shubing, Zhao Zhizhong, et al. Mangshan loess in central China and the paleomonsoon variations since the Last Interglaciation[J]. Acta Geologic Sinica: English Edition, 2004, 78(3): 813~819. http://d.wanfangdata.com.cn/Periodical/dzxb-e200403027
    [6] Jiang Fuchu, Fu Jianli, Wang Shubing, et al. Formation of the Yellow River, inferred from loess-palaeosol sequence in Mangshan and lacustrine sediments in Sanmen Gorge, China[J]. Quaternary International, 2007, 175: 62~70. doi: 10.1016/j.quaint.2007.03.022
    [7] Jin Chunsheng, Liu Qingsong. Revisiting the stratigraphic position of the Matuyama-Brunhes geomagnetic polarity boundary in Chinese loess[J]. Palaeogeography, Palaeoclimatology, Palaeoecology, 2011, 299: 309~317. doi: 10.1016/j.palaeo.2010.11.011
    [8] Peterse F, Prins M A, Beets C J, et al. Decoupled warming and monsoon precipitation in East Asia over the last deglaciation[J]. Earth and Planetary Science Letters, 2011, 301: 256~264. doi: 10.1016/j.epsl.2010.11.010
    [9] Peterse F, Martínez-García A, Zhou Bin, et al. Molecular records of continental air temperature and monsoon precipitation variability in East Asia spanning the past 130, 000 years[J]. Quaternary Science Reviews, 2014, 83: 76~82. doi: 10.1016/j.quascirev.2013.11.001
    [10] 季军良, 郑洪波, 刘锐, 等.邙山黄土地层再研究[J].海洋地质与第四纪地质, 2004, 24(4):101~108. http://www.cnki.com.cn/Article/CJFDTOTAL-HYDZ200404020.htm

    JI Jun-liang, ZHENG Hong-bo, LIU Rui, et al. Restudy on the stratigraphy of Mangshan loess[J]. Marine Geology & Quaternary Geology, 2004, 24(4): 101~108. http://www.cnki.com.cn/Article/CJFDTOTAL-HYDZ200404020.htm
    [11] Zheng Hongbo, Huang Xiangtong, Ji Junliang, et al. Ultra-high rates of loess sedimentation at Zhengzhou since Stage 7: Implication for the Yellow River erosion of the Sanmen Gorge[J]. Geomorphology, 2007, 85: 131~142. doi: 10.1016/j.geomorph.2006.03.014
  • 加载中
图(4)
计量
  • 文章访问数:  456
  • HTML全文浏览量:  153
  • PDF下载量:  12
  • 被引次数: 0
出版历程
  • 收稿日期:  2015-02-19
  • 刊出日期:  2015-09-01

目录

    /

    返回文章
    返回